分類

特性與應用:
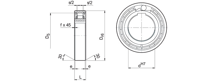
AS(NSS)6——80單向榴莲视频污在线观看榴莲黄色成人污视频,是沒有榴莲黄色成人污视频支撐的單向榴莲视频污在线观看榴莲黄色成人污视频。安裝時需要有榴莲黄色成人污视频來承受徑向及軸向載荷,並且要有潤滑和密封。榴莲视频污在线观看外圈有r6等級的正公差,可以壓入公差為H7的座孔。



備注:
AS6無鍵槽.
AS8-12鍵槽規格符合DIN6885.1
其它型號規格符合DIN6885.3
1)Tmax=2.5xTKN
2)內圈極限運轉速度
3)外圈極限運轉速度.
安裝尺寸根據62係列球榴莲黄色成人污视频確定